152 West Street, South Plainfield, NJ

Building Specifications

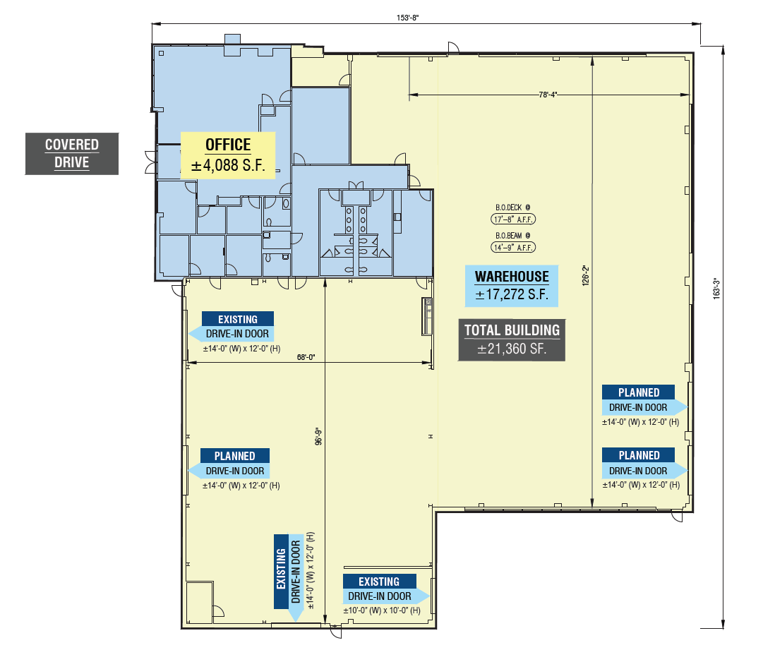
Building Size21,360 sq. ft.
Warehouse Space17,272 sq. ft.
Office Space4,088 sq. ft.
Lot Size4.1 acres
Clear Height14' 9"
Drive-in Doors6 (3 existing)
Car Parking180
Power800 amp 3 phase 4 wire 120/208-volt service
Planned Improvements3 new drive-in doors
Upgrade office
Mill & pave parking lot
New fire sprinkler system
Landscaping
Oil / water separator
ZoningApproved for vehicle maintenance, parking and limited outdoor storage